Boulon rivé, 12 x 90

E3232-04

Boulon rivé, 12 x 90
Boulon rivé, 12 x 90

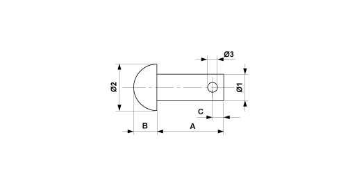
Dimensions

B: 8 mm
Ø2: 22 mm
A: 90 mm
Ø1: 12 mm
C: 5.8 mm
Ø3: 5.7 mm

Matériel et poids

Poids: 0.098 kg
Matériel: Acier inox

Remarques

- Les goupilles fendues doivent être commandées séparément
- Autres exécutions sur demande