- Chemin de fer
- Tramway
- Console
- Transversaux porteurs
- Caténaire
- Croisements
- Ligne régularisée
- Sectionneurs / Alimentations
- Isolateurs de section
- Commande / électronique
- Plafond / Tunnel
- Système de dégivrage
- Outillages
- Trolleybus
- Console
- Transversaux porteurs
- Croisements
- Aiguillages
- Sectionneurs / Alimentations
- Isolateurs de section
- Sytèmes d'emperchage
- Équipement du véhicule
- Commande / électronique
- Plafond / Tunnel
- Outillages
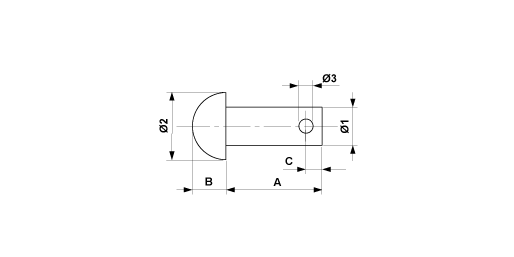
Boulon rivé, 12 x 80
ajouté au panier
Afficher le panier
E3232-03
Dimensions
A: 80 mmB: 8 mm
Ø2: 22 mm
Ø1: 12 mm
C: 5.8 mm
Ø3: 5.7 mm
Matériel et poids
Poids: 0.089 kgMatériel: Acier inox
Remarques
- Les goupilles fendues doivent être commandées séparément- Autres exécutions sur demande