- Chemin de fer
- Tramway
- Console
- Transversaux porteurs
- Caténaire
- Croisements
- Ligne régularisée
- Sectionneurs / Alimentations
- Isolateurs de section
- Commande / électronique
- Plafond / Tunnel
- Système de dégivrage
- Outillages
- Trolleybus
- Console
- Transversaux porteurs
- Croisements
- Aiguillages
- Sectionneurs / Alimentations
- Isolateurs de section
- Sytèmes d'emperchage
- Équipement du véhicule
- Commande / électronique
- Plafond / Tunnel
- Outillages
Boulon rivé, 13 x 45
ajouté au panier
Afficher le panier
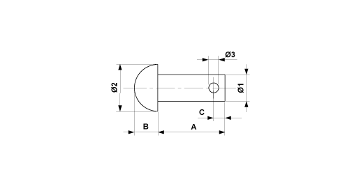
E3200-08
Dimensions
C: 5 mmB: 8 mm
A: 45 mm
Ø2: 22 mm
Ø1: 13 mm
Ø3: 6 mm
Matériel et poids
Poids: 0.060 kgMatériel: Acier galv.
Remarques
- Les goupilles fendues doivent être commandées séparément- Autres exécutions sur demande