- Chemin de fer
- Tramway
- Console
- Transversaux porteurs
- Caténaire
- Croisements
- Ligne régularisée
- Sectionneurs / Alimentations
- Isolateurs de section
- Commande / électronique
- Plafond / Tunnel
- Système de dégivrage
- Outillages
- Trolleybus
- Console
- Transversaux porteurs
- Croisements
- Aiguillages
- Sectionneurs / Alimentations
- Isolateurs de section
- Sytèmes d'emperchage
- Équipement du véhicule
- Commande / électronique
- Plafond / Tunnel
- Outillages
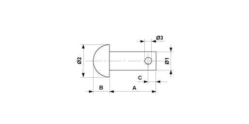
Boulon rivé, 16 x 40
ajouté au panier
Afficher le panier
E3200-04
Dimensions
A: 40 mmØ1: 16 mm
Ø3: 6 mm
B: 10.000 mm
Ø2: 26 mm
C: 7 mm
Matériel et poids
Poids: 0.088 kgMatériel: Acier galv.
Remarques
- Les goupilles fendues doivent être commandées séparément- Autres exécutions sur demande