Suspension du câble porteur isolée, orientable, renversé, solide, sur tube 2", câbles Ø max. 21 mm

D2760-01

Suspension du câble porteur isolée, orientable, renversé, solide, sur tube 2", câbles Ø max. 21 mm
Suspension du câble porteur isolée, orientable, renversé, solide, sur tube 2", câbles Ø max. 21 mm

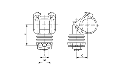
Dimension

A: 49 mm
C: 61.8 mm
B: 119 mm

Matériel et poids

Matériel: Al/Acier inox/CPV

Charges

Moment de rupture M: 1680 Nm

Spécification

Tension de service: max. 1500 V C.C., max. 1000 V C.A.

Remarques

- Le côté de montage doit être choisi de telle façon que la force latérale provoqué par la traction de la courbe agisse en direction de la vis de la couvercle
- Pour diamètre de câble
- Ø= 10-16 mm et 21 mm
- Utilisation pour d'autres diamètre de câble sur demande
- Autres suspensions du câble porteur pour 3000 V C.C. sur demande