- Chemin de fer
- Tramway
- Console
- Transversaux porteurs
- Caténaire
- Croisements
- Ligne régularisée
- Sectionneurs / Alimentations
- Isolateurs de section
- Commande / électronique
- Plafond / Tunnel
- Système de dégivrage
- Outillages
- Trolleybus
- Console
- Transversaux porteurs
- Croisements
- Aiguillages
- Sectionneurs / Alimentations
- Isolateurs de section
- Sytèmes d'emperchage
- Équipement du véhicule
- Commande / électronique
- Plafond / Tunnel
- Outillages
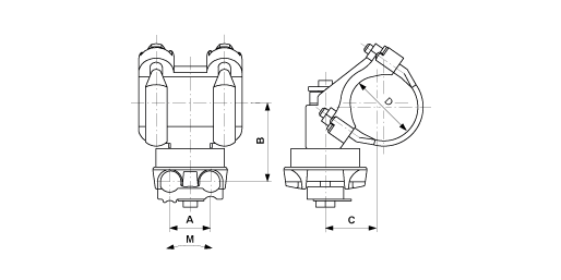
Suspension du câble porteur non-isolée, orientable, renversé, sur tube D = 70 mm, câbles Ø max. 21 mm
ajouté au panier
Afficher le panier
D2618-03
Dimension
B: 90 mmA: 49 mm
C: 59 mm
Matériel et poids
Matériel: Al/Acier inoxCharges
Moment de rupture M: 1500 NmRemarques
- Le côté de montage doit être choisi de telle façon que la force latérale provoqué par la traction de la courbe agisse en direction de la vis de la couvercle- Pour diamètre de câble Ø= 10-16 mm et 21 mm
- Utilisation pour d'autres diamètre de câble sur demande