- Chemin de fer
- Tramway
- Console
- Transversaux porteurs
- Caténaire
- Croisements
- Ligne régularisée
- Sectionneurs / Alimentations
- Isolateurs de section
- Commande / électronique
- Plafond / Tunnel
- Système de dégivrage
- Outillages
- Trolleybus
- Console
- Transversaux porteurs
- Croisements
- Aiguillages
- Sectionneurs / Alimentations
- Isolateurs de section
- Sytèmes d'emperchage
- Équipement du véhicule
- Commande / électronique
- Plafond / Tunnel
- Outillages
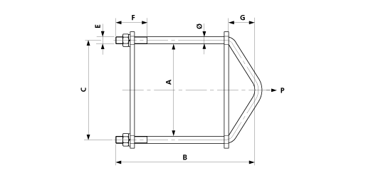
Collier étrier en pointe Ø = 16 mm sur HEB 260
ajouté au panier
Afficher le panier
C0156-06
Dimensions
A: 266 mmE: M16
C: 282 mm
F: 70 mm
G: 63 mm
B: 370 mm
Ø: 16 mm
Matériel et poids
Matériel: Acier galv.Poids: 3.750 kg