- Railway
- Tramway
- Cantilever
- Cross-spans
- Catenary
- Crossings
- Tensioning systems
- Disconnectors / Feeds
- Section insulators
- Control units / Electronics
- Soffits / Underpasses
- De-icing system
- Tools
- Trolleybus
- Cantilever
- Cross-spans
- Crossings
- Switches
- Disconnectors / Feeds
- Section insulators
- Current collector positioning systems
- Bus Equipment
- Control units / Electronics
- Soffits / Underpasses
- Tools
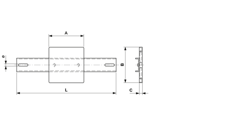
Pole numbering bracket, 4 pieces, to HEB 180-220
added to cart
Display basket
D2678-01
Dimensions
Ø: 7 mmB: 104 mm
C: 9 mm
A: 134 mm
L: 250 mm
Material and weight
Weight: 0.130 kgMaterial: Al/Synth.
Comments
- Attachment to poles HEB 180-260- Numerals, letters and spaces (to be ordered separately)
- U-bolt Ø= 6 mmPart no. E1192-.. and washer 6.4/20/1.5Part no. 352563 (pcs.)(to be ordered separately)