- Bahn
- Rohbauelemente
- Fahrdraht / Seile / Kabel
- Isolatoren
- Ausleger
- Kettenwerke
- Nachspannungen / Abfangungen
- Erdung und Rückstrom
- EL-Verbindungen
- Klemmen und Verbindungselemente
- Schalter/Schaltposten
- Streckentrenner
- Berührungsschutz
- Werkzeuge
- Enteisungssystem
- Strassenbahn
- Ausleger
- Querspanner
- Kettenwerke
- Kreuzungen
- Nachspannungen
- Trennungen/Speisungen
- Streckentrenner
- Steuerungen / Elektronik
- Decken / Unterführungen
- Enteisungssystem
- Werkzeuge
- Trolleybus
- Ausleger
- Querspanner
- Kreuzungen
- Weichenanlagen
- Trennungen / Speisungen
- Streckentrenner
- Eindrahtungstrichter
- Fahrzeugausrüstung
- Steuerungen / Elektronik
- Decken / Unterführungen
- Werkzeuge
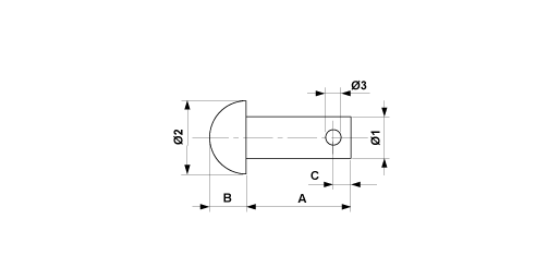
Nietbolzen, 16 x 60
wurde dem Warenkorb hinzugefügt
Warenkorb anzeigen
E3232-09
Abmessungen
A: 60 mmØ1: 16 mm
C: 5.8 mm
Ø3: 5.7 mm
Ø2: 26 mm
B: 12 mm
Material und Gewicht
Material: St InoxBemerkungen
- Die Splinten müssen separat bestellt werden- Weitere Ausführungen auf Anfrage