- Bahn
- Rohbauelemente
- Fahrdraht / Seile / Kabel
- Isolatoren
- Ausleger
- Kettenwerke
- Nachspannungen / Abfangungen
- Erdung und Rückstrom
- EL-Verbindungen
- Klemmen und Verbindungselemente
- Schalter/Schaltposten
- Streckentrenner
- Berührungsschutz
- Werkzeuge
- Enteisungssystem
- Strassenbahn
- Ausleger
- Querspanner
- Kettenwerke
- Kreuzungen
- Nachspannungen
- Trennungen/Speisungen
- Streckentrenner
- Steuerungen / Elektronik
- Decken / Unterführungen
- Enteisungssystem
- Werkzeuge
- Trolleybus
- Ausleger
- Querspanner
- Kreuzungen
- Weichenanlagen
- Trennungen / Speisungen
- Streckentrenner
- Eindrahtungstrichter
- Fahrzeugausrüstung
- Steuerungen / Elektronik
- Decken / Unterführungen
- Werkzeuge
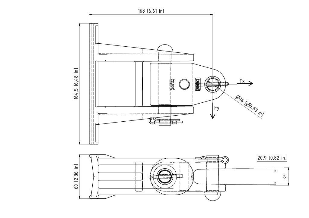
Drehgelenk mit Gabel vertikal, komplett, an Rundmast
wurde dem Warenkorb hinzugefügt
Warenkorb anzeigen
D2361-01
Lasten
| Durchschnittliche Bruchkraft | Fx | 60 kN* |
| Maximale Auslegungslast | MDL = Fx | 60 kN* |
| Maximale Arbeitslast | WLL = MDL/S | 20 kN |
| Sicherheitsfaktor | S | 3 |
*Max. Kraft der Zugmaschine
| Durchschnittliche Bruchkraft | Fy | 21.67 kN |
| Maximale Auslegungslast | MDL = 0.9*Fy | 19.6 kN |
| Maximale Arbeitslast | WLL = MDL/S | 6.5 kN |
| Sicherheitsfaktor | S | 3 |
Material und Gewicht
Material: Alu/St Inox
Gewicht: 1.420 kg
Bemerkungen
- Befestigung an Rundmaste D = > 150 mm
- Mastbriden mit Band separat bestellen
- Das Befestigungsmaterial an Traverse (gerade oder schräg) muss separat bestellt werden